Omitir los comandos de cinta
Saltar al contenido principal
Inicio de sesión
Calidad del Servicio Electrico > Supervisión de la NTCSE en Generación y Transmisión > Calidad del Suministro

Skip Navigation Linksntcse-gt-suministro Calidad de Suministro

CALIDAD DE SUMINISTRO

 
CONCEPTO DESCRIPCIÓN
Control En control se lleva a cabo semestralmente por las empresas generadoras considerando las interrupciones asociadas a sus respectivos puntos de entrega generador - distribuidor.
Indicadores de calidad • Número Total de Interrupciones por Cliente por Semestre (N)
• Duración Total Ponderada de Interrupciones por Cliente (D)
Además, se evalúan de manera independiente las interrupciones por rechazo de carga
Cantidad de Mediciones Por cada punto de entrega generador - distribuidor
Tolerancias
Nivel de tensión Número de Interrupciones por Cliente (N’) Duración Total Ponderada de Interrupciones por Cliente (D’)
MAT/AT 2 4
MT 4 7

Para el caso de rechazo de carga no existe tolerancias
Compensaciones • Compensaciones por Interrupciones = e . E . ENS
• Compensaciones por Rechazo de Carga = e . Ef . ENSf
Cadena de pagos El COES asignará las responsabilidades que corresponden ante transgresiones a la calidad de suministro y semestralmente comunicará a los involucrados el calculo definitivo de compensaciones (monto a resarcir por parte de el(los) responsable(s)).


Grafica N°1.- Asignación de responsabilidad publicado en la página Web del COES.

https://www.coes.org.pe/Portal/PostOperacion/EvaluacionFallas/





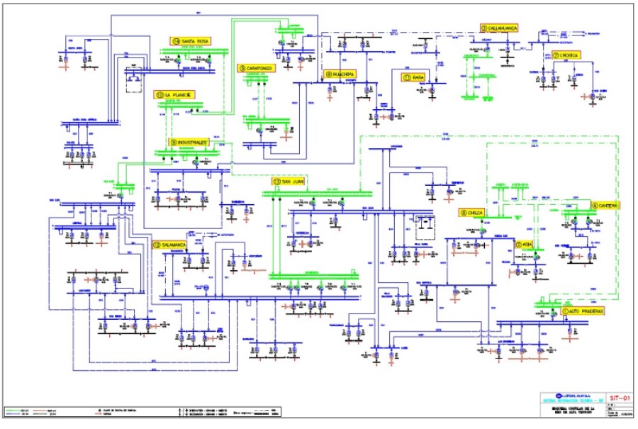
Grafica N° 2.- Esquema Unifilar de algunos puntos de entrega reportado por Luz del Sur.